Oilwell A1100PT Triplex Mud Pump Parts Manual List
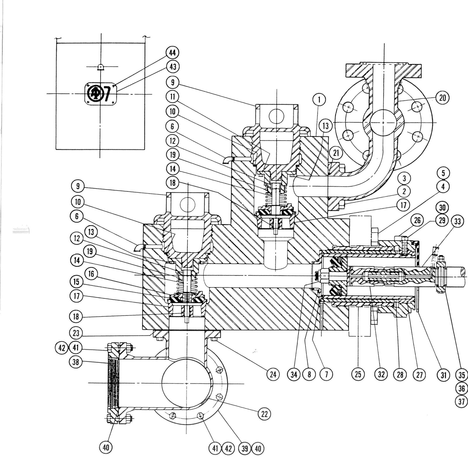
| FLUID END A1100-PT TRIPLEX PISTON PUMP SIZE : D DWG NO. P 196-AZ1 | |
| COMM NO. | DESCRIPTION |
| 10-300-181 | FLUID END, STUDDED ( INCLUDES ITEMS 2 THRU 8 ) |
| 49-001-292 | STUD, 1-3/8–8 X 4-1/2 |
| 75-511-754 | NUT, 1-3/8 — 8 HEAVY HEX |
| 49-002-837 | STUD, 1-3/4 — 8 X 7-1/2 |
| 75-510-126 | NUT, 1-3/4 — 8 HEAVY HEX |
| 86-342-103 | ELBOW, 3/8″ X 90° 150 BLK M.I. STREET |
| 10-300-184 | PLATE, LINER WEAR |
| 20-100-008 | GASKET, LINER WEAR PLATE |
| 10-300-005 | COVER, VALVE |
| 10-300-011 | GASKET, VALVE COVER |
| 10-300-004 | SLEEVE, VALVE COVER |
| 20-200-004 | BUSHING, VALVE GUIDE |
| 75-632-234 | CAPSCREW, 5/8 — 11 X 1-1/4 SELF- LOCKING HEX HEAD HT |
| 20-160-928 | VALVE W/POLYURETHANE DISC ( INCLUDES ITEMS 15 & 16 ) |
| 20-160-929 | VALVE W/BUNA “N” DISC ( INCLUDES ITEMS 15 & 16 ) |
| 20-180-049 | DISC, POLYURETHANE |
| 20-180-050 | DISC, BUNA ” N “ |
| 20-860-044 | NUT,VALVE |
| 20-220-105 | SEAT, VALVE ( INCLUDES ITEM 18 ) |
| 20-101-767 | BUSHING, VALVE SEAT |
| 20-160-225 | SPRING, VALVE |
| 10-303-175 | MANIFOLD, DISCHARGE |
| 99-609-345 | ” O ” — RING ( 4-3/8 X 4″ X 3/16 ) |
| 10-303-081 | MANIFOLD, SUCTION |
| 10-300-201 | GASKET, SUCTION MANIFOLD |
| 75-634-382 | CAPSCREW, 3/4 — 10 X 2″ HEX HEAD HT |
| 10-300-183 | ADAPTER, LINER |
| 10-303-092 | NUT, LINER ADAPTER |
| 10-300-085 | RING, LINER SPACER ¸ |
| 10-303-091 | SLEEVE, LINER CENTERING ·¸ |
| 75-632-758 | SETSCREW, 3/4 — 10 X 1-3/4 SQUARE HEAD DOG POINT 0 |
| 75-632-760 | SETSCREW, 3/4 — 10 X 2-1/4 SQUARE HEAD DOG POINT ¸· |
| 20-460-668 | SHIELD, LINER FLUSHING |
| 20-150-123 | ROD, PISTON |
| 20-150-125 | ROD, EXTERNSION |
| 20-150-142 | NUT, PISTON RETAINING |
| 20-150-132 | CLAMP, ROD ( INCLUDES ITEMS 36 & 37 ) |
| 75-074-694 | BOLT, 5/8 — 11 X 6″ HEX HEAD CAD. PLATED |
| 75-510-438 | NUT, 5/8 — 11 STAINLESS STEEL HEX |
| 98-029-036 | FLANGE, 8″ 150 RAISED FACE THREADED |
| 98-031-036 | FLANGE, 8″ 150 RAISED FACE BLIIND |
| 45-148-408 | GASKET, SUCTION FLANGE |
| 75-634-390 | CAPSCREW, 3/4 — 10 HEX HEAD HT |
| 75-510-312 | NUT, 3/4 — 10 HEAVY HEX |
| 10-300-202 | PLATE, NAME |
| 75-632-012 | SCREW, NO. 2 X 1/4 CAD. PLATED DRIVE |
| ¸ SPECIFY TYPE OF VALVE WHEN ORDERING | |
| ·¸ NOT USED WITH 6-1/2″ AND LAREGER DIAMETER LINERS | |
| 0 USED WITH 6-1/2″ AND LAREGER DIAMETER LINERS ONLY | |
| LINER AND PISTON ASSEMBLY A1100-PT TRIPLEX PISTON PUMP SIZE : D DWG NO. P 206-AS1 | |
| COMM NO. | DESCRIPTION |
| 20-020-502 | PISTON COMPLETE, 5″ ( SERIES ” B ” ) · |
| 20-020-503 | PISTON COMPLETE, 5-1/2 ( SERIES ” B ” ) · |
| 20-020-504 | PISTON COMPLETE, 5-3/4 ( SERIES ” B ” ) · |
| 20-020-505 | PISTON COMPLETE, 6″ ( SERIES ” B ” ) · |
| 20-020-507 | PISTON COMPLETE, 6-1/2 ( SERIES ” L ” ) · |
| 20-020-508 | PISTON COMPLETE, 6-3/4 ( SERIES ” L ” ) · |
| 20-020-509 | PISTON COMPLETE, 7″ ( SERIES ” L ” ) · |
| 20-020-510 | PISTON COMPLETE, 7-1/4 ( SERIES ” L ” ) · |
| 20-020-511 | PISTON COMPLETE, 7-1/2 ( SERIES ” L ” ) · |
| 20-020-512 | PISTON COMPLETE, 7-3/4 ( SERIES ” L ” ) · |
| 20-040-005 | RUBBER, 5″ PISTON ¸· |
| 20-040-009 | RUBBER, 5-1/2 PISTON ¸· |
| 20-040-011 | RUBBER, 5-3/4 PISTON ¸· |
| 20-040-013 | RUBBER, 6″ PISTON ¸· |
| 20-040-037 | RUBBER, 6-1/2 PISTON ¸· |
| 20-040-039 | RUBBER, 6-3/4 PISTON ¸· |
| 20-040-041 | RUBBER, 7″ PISTON ¸· |
| 20-040-043 | RUBBER, 7-1/4 PISTON ¸· |
| 20-040-045 | RUBBER, 7-1/2 PISTON ¸· |
| 20-040-047 | RUBBER, 7-3/4 PISTON ¸· |
| 99-607-325 | “O” — RING ( 1-1/2 X 1-7/8 X 3/16 ) / |
| 20-150-123 | ROD, PISTON ( INCLUDES ITEM 19 ) |
| 20-150-142 | NUT, PISTON RETAINING |
| 05-330-500 | LINER, 5″ SUPER DI –HARD |
| 05-330-550 | LINER, 5-1/2 SUPER DI –HARD |
| 05-330-575 | LINER, 5-3/4 SUPER DI –HARD |
| 05-330-600 | LINER, 6″ SUPER DI –HARD |
| 05-330-651 | LINER, 6-1/2 SUPER DI –HARD |
| 05-330-675 | LINER, 6-3/4 SUPER DI –HARD |
| 05-330-700 | LINER, 7″ SUPER DI –HARD |
| 05-330-725 | LINER, 7-1/4 SUPER DI –HARD |
| 05-330-750 | LINER, 7-1/2 SUPER DI –HARD |
| 05-330-775 | LINER, 7-3/4 SUPER DI –HARD |
| 20-100-008 | GASKET, 5″ LINER |
| 20-100-009 | GASKET, 5-1/2 LINER |
| 20-100-010 | GASKET, 5-3/4 LINER |
| 20-100-011 | GASKET, 6″ LINER |
| 20-100-012 | GASKET, 6-1/2 LINER |
| 20-100-016 | GASKET, 6-3/4 LINER |
| 20-100-017 | GASKET, 7″ LINER |
| 20-100-018 | GASKET, 7-1/4 LINER |
| 20-100-019 | GASKET, 7-1/2 LINER |
| 20-100-020 | GASKET, 7-3/4 LINER |
| 10-300-183 | ADAPTER, LINER |
| 10-303-092 | NUT, LINER ADAPTER |
| 10-300-185 | RING, LINER SPACER // |
| 10-303-091 | SLEEVE, LINER CENTERING // |
| 75-632-758 | SETSCREW, 3/4 — 10 X 1-3/4 SQUARE HEAD DOG POINT /// |
| 75-632-760 | SETSCREW, 3/4 — 10 X 2-1/4 SQUARE HEAD DOG POINT // |
| 20-460-668 | SHIELD, LINER FLUSHING |
| 20-150-125 | ROD, EXTERNSION |
| 20-150-132 | CLAMP, ROD ( INCLUDES ITEMS 17 & 18 ) |
| 75-074-694 | BOLT, 5/8 — 11 X 6″ HEX HEAD CAD. PLATED |
| 75-510-438 | NUT, 5/8 — 11 STAINLESS STEEL HEX |
| 10-305-203 | STUD, PISTON ROD |
| · PISTON BODY HAS 1-1/2″ BORE ( FITS 1-1/2″ DIAMETER ROD ) | |
| ¸· PISTON RUBBERS ARE PACKAGED IN ” PAIRS ” . A PAIR OF PISTON RUBBERS CONSISTS OF TWO EACH, PISTON RUBBERS, PLATES AND SNAP RINGS. ONE PAIR OF RUBBERS WILL DRESS TWO SINGLE ACTING PISTONS | |
| / “O” — RINGS ARE PACKAGED SIX PIECES PER PACKAGE AND ARE IDENTIFIED AS COMMODITY NUMBER 20-680-020 | |
| // NOT UESD WITH 5-1/2″ AND LARGER DIAMETER LINERS AND PISTONS | |
| /// USED WITH 6-1/2″ AND LARGER DIAMETER LINERS AND PISTONS ONLY | |
| STRAINER BLOCK ASSEMBLY A 1100-PT TRIPLEX PISTON PUMP SIZE : D DWG NO. P 206-AJ1 | |
| COMM NO. | DESCRIPTION |
| 10-307-005 | BLOCK, STRAINER ( INCLUDES ITEMS 2 AND 3 ) |
| 45-810-062 | STUD, 1-1/2 — 8 X 6-1/2 |
| 75-510-323 | NUT, 1-1/2 — 8 HEAVY HEX |
| 06-511-630 | SUPPORT, STRAINER BLOCK |
| 75-635-093 | CAPSCREW, 1″ — 8 X 2-1/2 HEX HEAD HT |
| 75-770-478 | LOCKWASHER, 1″ EXTERNAL SHAKEPROOF |
| 75-510-316 | NUT, 1″ — 8 HEAVY HEX |
| 10-307-064 | SHIM SET ( 1 REQ’D ) CONSISTS OF THE FOLLOWING |
| 10-307-065 | SHIM ( 16 GA. THICK ) |
| 10-307-066 | SHIM ( 11 GA. THICK ) |
| 10-307-009 | COVER, STRAINER |
| 10-307-010 | STRAINER, DIACHARGE |
| 99-609-258 | “O” — RING ( 6-1/4 X 6″ X 1/8 ) |
| 99-609-249 | “O” — RING ( 5-1/8 X 4-7/8 X 1/8 ) |
| 78-206-544 | GASKET, R-44 OVAL RING ¸ |
| 98-032-122 | FLANGE, 5″ 5000 RAISED FACE BLIND ¸ |
| ¸ ONE REQUIRED FOR OPPOSITE END DISCHARGE MANIFOLD. | |
| POWER END A 1100-PT TRIPLEX PISTON PUMP SIZE : D DWG NO. P 196-AV1 | |
| COMM NO. | DESCRIPTION |
| 10-303-024 | FRAME END, STUDDED ( INCLUDES ITEMS 2 AND 4 ) |
| 29-000-700 | STUD, 3/4 — 10 X 2-1/2 |
| 75-510-410 | NUT, 3/4 — 10 HEX |
| 29-000-777 | STUD, 1/2 — 13 X 1-3/4 |
| 75-510-406 | NUT, 1/2 — 13 HEX |
| 10-303-025 | COVER, CRANKCASE |
| 10-303-046 | GASKET, CRANKCASE COVER |
| 75-634-373 | CAPSCREW, 3/4 — 10 X 1-1/2 HEX HEAD HT |
| 10-300-063 | GASKET, INSPECTION COVER |
| 75-510-404 | NUT, 3/8 — 16 HEX |
| 10-303-090 | DOOR, FRAME ( A 1100-PT, NATIONAL OILWELL ) |
| 10-303-042 | GASKET, FRAME DOOR |
| 75-634-349 | CAPSCREW, 1/2 — 13 X 1″ HEX HEAD HT |
| 10-300-058 | GASKET, SUMP COVER |
| 86-429-001 | NIPPLE, 2″ X CLOSE SCH 40 BW STEEL PIPE |
| 83-802-512 | COCK, 2″ BRASS DRAIN |
| 64-229-100 | BREATHER, AIR |
| 10-303-009 | GUIDE, CROSSHEAD |
| 10-303-041 | SHIM SET ( 12 REQ’D ) CONSISTS OF THE FOLLOWING |
| 10-303-040 | SHIM ( .005″ THICK ) |
| 10-303-047 | ROD, CONNECTING ( INCLUDES ITEMS 21 AND 22 ) |
| 10-303-043 | BOLT, 7/8 — 9 X 15-1/4 CONNECTING ROD |
| 75-513-112 | NUT, 7/8 — 9 X HEAVY SLOTTED HEX |
| 75-102-088 | COTTER, 1/8 X 2″ STEEL |
| 10-303-033 | RETAINER, CONNECTING ROD TO ECCENTRIC BEARING |
| 10-303-028 | TROUGH, CONNECTING ROD OIL |
| 75-634-415 | CAPSCREW, 1/2 — 13 X 3/4 HEX HEAD HT |
| 59-800-016 | WIRE, 16 GA. ANNEALED STEEL |
| 10-303-073 | CROSSHEAD |
| 10-303-014 | PIN, CROSSHEAD |
| 65-725-960 | BEARING, CROSSHEAD PIN |
| 10-303-032 | PLATE, CROSSHEAD PIN RETAINING |
| 45-142-701 | CAPSCREW, 3/4 — 10 X 1-1/2 DRILLED HEX HEAD HT |
| 10-303-022 | CLAMP, CROSSHEAD GUIDE |
| 75-770-100 | WASHER, SPHERICAL |
| 45-143-503 | CAPSCREW, 5/8 — 11 X 1-1/4 DRILLED HEX HEAD HT |
| 10-300-142 | ROD, CROSSHEAD EXTENSION |
| 45-142-703 | CAPSCREW, 3/4 — 10 X 1-3/4 DRILLED HEX HEAD HT |
| 10-303-050 | GASKET ( RIGHT HAND ), DIAPHRAGM SUPPORT |
| 10-303-051 | GASKET ( LEFT HAND ), DIAPHRAGM SUPPORT |
| 10-303-049 | GASKET ( CENTER ), DIAPHRAGM SUPPORT |
| 10-300-020 | HOUSING, DIAPHRAGM |
| 10-300-062 | GASKET, DIAPHRAGM HOUSING |
| 10-300-021 | CAP, DIAPHRAGM |
| 10-300-022 | RING, DIAPHRAGM LANTERN |
| 20-100-015 | WIPER, ROD |
| 75-634-352 | CAPSCREW, 1/2 — 13 X 1-1/2 HEX HEAD HT |
| 75-770-474 | LOCKWASHER, 1/2 EXTERNAL SHAKEPROOF |
| 86-485-416 | PLUG, 2″ C.I. CORED SQUARE HEAD PIPE |
| 86-485-512 | PLUG, 1-1/2 C.I. SOLID SQUARE HEAD PIPE |
| 75-514-117 | LOCKNUT, 1/2 –13 HEX |
| 45-127-305 | PIN, 3/8 X 3/4 DOWEL |
| 10-303-096 | SHOE, CROSSHEAD |
| 10-303-097 | GUIDE, LOWER CROSSHEAD |
| 75-633-119 | SCREW, 1/2 — 13 X 1-1/4 FLAT HEAD MACHINE |
| 10-303-258 | COVER, OVERFLOW |
| 86-486-120 | PLUG, 2-1/2 SOLID SQUARE HEAD PIPE |
| 10-303-135 | COVER, FRONT SUMP |
| 10-300-317 | PLATE, CAUTION |
| 75-632-012 | SCREW, NO. 2 X 1/4 STEEL DRIVE |
| SHAFT ASSEMBLIES A 1100-PT TRIPLEX PISTON PUMP SIZE : C DWG NO. P 199-AA1 | |
| COMM NO. | DESCRIPTION |
| 10-303-012 | SHAFT ( 21 TEETH ), PINION W/ INTEGRAL |
| 65-725-000 | BEARING, PINION |
| 10-303-038 | HOUSING, PINION BEARING |
| 10-303-048 | GASKET, PINION BEARING HOUSING |
| 75-635-093 | CAPSCREW, 1″ — 8 X 2-1/2 HEX HEAD HT |
| 45-803-900 | SHIM SET ( 2 REQ’D ) CONSISTS OF THE FOLLOWING |
| 45-803-901 | SHIM ( .005″ THICK ) |
| 45-803-902 | SHIM ( .007″ THICK ) |
| 45-803-903 | SHIM ( .020″ THICK ) |
| 45-803-904 | SHIM ( 16 GAUGE ) |
| 10-303-053 | RETAINER, PINION BEARING |
| 75-634-383 | CAPSCREW, 3/4 — 10 X 2-1/4 HEX HEAD HT |
| 45-803-923 | KEY, ( 2″ X 1-1/2 X 13-1/2 ) |
| 10-303-052 | SLEEVE, PINION SHAFT |
| 68-631-012 | SEAL, OIL |
| 10-303-055 | COVER, PINION SHAFT EXTENSION |
| 10-303-063 | CRANKSHAFT |
| 65-725-080 | BEARING, MAIN |
| 10-303-037 | HOUSING, MAIN BEARING |
| 10-303-132 | STUD, 1″ — 8 X 5″ |
| 45-803-917 | SHIM SET ( 2 REQ’D ) CONSISTS OF THE FOLLOWING |
| 45-803-918 | SHIM ( .005″ THICK ) |
| 45-803-919 | SHIM ( .007″ THICK ) |
| 45-803-920 | SHIM ( .020″ THICK ) |
| 45-803-921 | SHIM ( 16 GAUGE ) |
| 10-303-054 | RETAINER, MAIN BEARING |
| 75-634-382 | CAPSCREW, 3/4 — 10 X 2-1/4 HEX HEAD HT |
| 10-303-039 | SPACER, MAIN BEARING |
| 75-510-316 | NUT, 1″ — 8 HEAVY HEX |
| 10-303-061 | RING, BEARING RETAINING |
| 75-632-445 | CAPSCREW, 1/2 — 13 X 2-1/4 SOCKET HEAD SELF-LOCKING HT |
| 10-303-034 | GEAR, ( 94 TEETH ), CRANKSHAFT |
| 75-634-409 | CAPSCREW, 1″ — 8 X 4″ HEX HEAD HT |
| 75-514-120 | LOCKNUT, 1″ — 8 HEX |
| 65-725-959 | BEARING, CONNECTING ROD |
| JACKSHAFT ASSEMBLIES A 1100-PT TRIPLEX PISTON PUMP SIZE : C DWG NO. P 196-AD1 | |
| COMM NO. | DESCRIPTION |
| 10-300-030 | JACKSHAFT |
| 65-725-031 | BEARING, JACKSHAFT |
| 10-300-032 | REATAINER, JACKSHAFT BEARING |
| 45-803-797 | GASKET, RETAINER |
| 68-630-235 | SEAL, OIL |
| 10-300-098 | CATCHER, OIL |
| 75-634-352 | CAPSCREW, 1/2 — 13 X 1-1/2 HEX HEAD HT |
| 10-300-034 | SPACER, BEARING |
| 10-300-031 | BRACKET, JACKSHAFT |
| 45-803-729 | GASKET, BRACKET |
| 75-634-359 | CAPSCREW, 5/8 — 11 X 1-1/2 HEX HEAD HT |
| 68-097-451 | SHEAVE, 10.6 O.D. 3-V DOUBLE GROOVE DRIVE |
| 45-802-800 | KEY, ( 1/2 X 1/2 X 2″ ) |
| 10-300-033 | SPACER, BEARING |
| 10-303-017 | PINION ( 15 TEETH ), JACKSHAFT |
| 45-803-362 | KEY, ( 1/2 X 1/2 X 1-3/4 ) |
| 10-300-035 | WASHER, JACKSHAFT |
| 75-513-018 | NUT, 1-1/4 — 7 SLOTTED HEX |
| 75-104-013 | COTTER, ( 3/16 X 2-1/2 ) |
| 75-770-475 | LOCKWASHER, 5/8 EXTERNAL SHAKEPROOF |
| 10-300-099 | SLINGER, OIL |
| 75-770-474 | LOCKWASHER, 1/2 EXTERNAL SHAKEPROOF |
| 68-028-560 | V-BELT, 3V-560 |
| 75-660-073 | RING, RETAINING |
| INTERNAL LUBRICATION SYSTEM A 1100-PT TRIPLEX PISTON PUMP SIZE : D DWG NO. P 196-BA1 | |
| COMM NO. | DESCRIPTION |
| 10-303-065 | THROUGH, OIL ( INCLUDES ITEM 36 ) |
| 45-143-001 | CAPSCREW, 1/2 — 13 X 3/4 DRILLED HEX HEAD HT |
| 59-800-016 | WIRE, 16 GA. ANNEALED STEEL |
| 75-770-204 | WASHER, 1/2 HEAVY PLATE |
| 10-303-030 | SCRAPER, ( LEFT HAND ). OIL |
| 10-303-031 | SCRAPER, ( RIGHT HAND ). OIL |
| 10-303-037 | NIPPLE, STRAINER |
| 86-132-008 | CAP, 1″ M.I. PIPE |
| 75-770-474 | LOCKWASHER, 1/2 EXTERNAL SHAKEPROOF |
| 86-426-009 | NIPPLE, 1″ X 3″ SCH 40 BW STEEL PIPE |
| NIPPLE, 1″ X 1-7/4 SCH 40 BW STEEL PIPE | |
| 86-339-108 | ELBOW, 1″ X 45° 150 BLK M.I. PIPE |
| 86-426-013 | NIPPLE, 1″ X 4″ SCH 40 BW STEEL PIPE |
| 86-426-001 | NIPPLE, 1″ X CLOSE SCH 40 BW STEEL PIPE |
| 86-641-108 | UNION, 1″ 150 M.I. FEMALE GROUND JOINT |
| 99-287-110 | HOSE, 1-1/4 X 36″ |
| 99-092-558 | CLAMP, HOSE |
| 86-426-029 | NIPPLE, 1″ X 10″ SCH 40 BW STEEL PIPE |
| 86-543-108 | TEE, 1″ 150 M.I. PIPE |
| 86-061-014 | BUSHING, 1″ X 1/2 C.I. 150 BLK HEX PIPE |
| 86-424-001 | NIPPLE, 1/2 X CLOSE SCH 40 BW STEEL PIPE |
| 86-424-009 | NIPPLE, 1/2 X 3″ CLOSE SCH 40 BW STEEL PIPE |
| 86-336-104 | ELBOW, 1/2 X 90° 150 BLK M.I. PIPE |
| 86-339-104 | ELBOW, 1/2 X 45° 150 BLK M.I. PIPE |
| 86-543-104 | TEE, 1/2 150 M.I. PIPE |
| 86-600-010 | COUPLING, 3/4 X 1/2 150 # M.I. REDUCING |
| 86-424-021 | NIPPLE, 1/2 X 6″ SCH 40 BW STEEL PIPE |
| 64-271-214 | ELBOW, 1/2 P.T. X 37° JIC 90° HOSE ADAPTER |
| PIPE, 1/2 X 14″ SCH 40 BW STEEL | |
| 64-271-212 | ADAPTER, 3/4 P.T. X 3/4 37° JIC HOSE |
| 86-425-007 | NIPPLE, 3/4 X 2-1/2 SCH 40 BW STEEL PIPE |
| 86-336-106 | ELBOW, 3/4″ X 90° 150 # BLK M.I. PIPE |
| 86-422-005 | NIPPLE, 1/4 X 2″ SCH 40 BW STEEL PIPE |
| 86-600-005 | COUPLING, 1/2 X 1/4 150 # BLK M.I. PIPE |
| 86-336-102 | ELBOW, 1/4 X 90° 150 # BLK M.I. PIPE |
| 86-486-508 | PLUG, 1″ C.I. SOLID SQUARE HEAD PIPE |
| 86-424-003 | NIPPLE, 1/2 X 1-1/2 SCH 40 BW STEEL PIPE |
| 86-424-007 | NIPPLE, 1/2 X 2-1/2 SCH 40 BW STEEL PIPE |
| 45-804-436 | HOSE, 1/2 X 34″ |
| 86-424-011 | NIPPLE, 1″ X 3-1/2 SCH 40 BW STEEL PIPE |
| 45-804-374 | HOSE, 1/2 X 16-7/8 |
| SUPPORT, INTERNAL MANIFOLD | |
| 45-804-437 | HOSE, 3/4 X 17″ |
| 45-804-366 | HOSE, 3/4 X 19-1/2 |
| 45-804-405 | HOSE, 1/2 X 25″ |
| 45-804-406 | HOSE, 1/2 X 9-3/8 |
| 45-804-387 | HOSE, 1/2 X 19-7/8 |
| 64-271-208 | ADAPTER, 1/2 HOSE |
| 10-300-136 | CONNECTOR, PINION BEARING OIL |
| 99-607-114 | “O” — RING ( 7/8 X 11/16 X 3/32 ) |
| 10-303-066 | CONNECTOR, OIL TROUGH TO PINION BEARING |
| 86-422-001 | NIPPLE, 1/4 X CLOSE SCH 40 BW STEEL PIPE |
| EXTERNAL LUBRICATION SYSTEM ( ELECTRICAL ) A 1100-PT TRIPLEX PISTON PUMP SIZE : D DWG NO. P 206-AF1 | |
| COMM NO. | DESCRIPTION |
| 10-300-310 | BASE, PUMP AND MOTOR |
| 74-450-830 | MOTOR, ELECTRIC |
| 06-510-607 | GUARD, COUPLING |
| 68-103-991 | COUPLING, FLEX |
| 64-182-010 | PUMP, OIL |
| 16-385-012 | EXCHANGER, HEAT |
| 10-303-148 | BASE, HEAT EXCHANGER |
| 45-194-207 | SHIM SET ( / REQ’D ) CONSISTS OF THE FOLLOWING |
| 45-194-208 | SHIM ( .020″ THICK ) |
| 06-015-462 | SHIM ( 16 GAUGE ) |
| 75-633-707 | CAPSCREW, 1/4 — 20 X 5/8 HEX HEAD HT |
| 75-633-740 | CAPSCREW, 3/8 — 16 X 1-1/4 HEX HEAD HT |
| 75-634-335 | CAPSCREW, 3/8 — 16 X 5/8 HEX HEAD HT |
| 75-634-354 | CAPSCREW, 1/2 — 13 X 1-3/4 HEX HEAD HT |
| 75-770-470 | LOCKWASHER, 1/4 EXTERNAL SHAKEPROOF |
| 75-770-472 | LOCKWASHER, 3/8 EXTERNAL SHAKEPROOF |
| 75-770-474 | LOCKWASHER, 1/2 EXTERNAL SHAKEPROOF |
| 75-510-404 | NUT, 3/8 — 16 HEX |
| 75-510-308 | NUT, 1/2 — 13 HEAVY HEX |
| 45-804-150 | U-BOLT, 3/8 — 16 |
| 64-212-832 | FILTER, FULL FLOW OIL ¸· |
| 64-212-003 | FILTER, MAGNETIC OIL |
| 78-256-532 | GAUGE ( 0–200 P.S.I. ), 2-1/2 OIL PRESSURE |
| 78-684-250 | THE RMOMETER ( 0 — 250· F. ) |
| 86-061-008 | BUSHING, 3/4 X 1/4 C.I. 150 # BLK HEX PIPE |
| 86-061-010 | BUSHING, 3/4 X 1/2 C.I. 150 # BLK HEX PIPE |
| 86-061-014 | BUSHING, 1″ X 1/2 C.I. 150 # BLK HEX PIPE |
| 86-061-015 | BUSHING, 1″ X 3/4 C.I. 150 # BLK HEX PIPE |
| 86-061-026 | BUSHING, 1-1/2 X 3/4 C.I. 150 # BLK HEX PIPE |
| 86-061-027 | BUSHING, 1-1/2 X 1″ C.I. 150 # BLK HEX PIPE |
| 57-000-006 | COUPLING, 3/4 150 # TAPPED PIPE |
| 78-176-002 | ELBOW, 1/4 X 90° 2000 # FORGED STEEL PIPE |
| 86-336-106 | ELBOW, 3/4 X 90° 150 # BLK M.I. PIPE |
| 86-336-108 | ELBOW, 1″ X 90° 150 # BLK M.I. PIPE |
| 86-342-108 | ELBOW, 1″ X 90° 150 # BLK M.I. STREET |
| 86-657-208 | UNION, 1″ 150 # FEMALE GROUND JOINT |
| 86-485-508 | PLUG, 1″ C.I. SOLID SQUARE HEAD PIPE |
| 86-543-106 | TEE, 3/4 150 # M.I. PIPE |
| 86-543-108 | TEE, 1″ 150 # M.I. PIPE |
| 86-600-008 | COUPLING, 3/4 X 1/4 150 # M.I. REDUCING |
| 86-600-014 | COUPLING, 1″ X 1/2 150 # M.I. REDUCING |
| 86-422-002 | NIPPLE, 1/4 X CLOSE SCH 80 BW STEEL PIPE |
| 86-425-001 | NIPPLE, 3/4 X CLOSE SCH 40 BW STEEL PIPE |
| 86-426-001 | NIPPLE, 1″ X CLOSE SCH 40 BW STEEL PIPE |
| 86-424-007 | NIPPLE, 1/2 X 2-1/2 SCH 40 BW STEEL PIPE |
| 86-425-005 | NIPPLE, 3/4 X 2″ SCH 40 BW STEEL PIPE |
| 86-425-009 | NIPPLE, 3/4 X 3″ SCH 40 BW STEEL PIPE |
| 86-425-013 | NIPPLE, 3/4 X 4″ SCH 40 BW STEEL PIPE |
| 86-425-017 | NIPPLE, 3/4 X 5″ SCH 40 BW STEEL PIPE |
| 86-426-013 | NIPPLE, 1″ X 4″ SCH 40 BW STEEL PIPE |
| 64-289-324 | ADAPTER, 3/4 MALE TO FEMALE SWIVEL HOSE |
| 45-804-717 | HOSE, 3/4 X 12-1/2 |
| 64-271-012 | COUPLING, 3/4 MALE HOSE |
| 64-271-226 | COUPLING, 1″ MALE HOSE |
| 64-270-012 | HOSE, 3/4 / |
| 64-270-016 | HOSE, 1″ // |
| 45-124-506 | KEY ( 3/16 X 3/16 X 1″ ) |
| 64-212-848 | ELEMENT, OIL FILTER |
| EXTERNAL LUBRICATION SYSTEM ( MECHANICAL ) A 1100-PT TRIPLEX PISTON PUMP SIZE : D DWG NO. P 196-AJ1 | |
| COMM NO. | DESCRIPTION |
| 10-303-018 | BRACKET, OIL PUMP |
| 64-182-042 | PUMP, OIL |
| 75-634-314 | CAPSCREW, 3/8 — 16 X 1″ HEX HEAD HT |
| 75-770-472 | LOCKWASHER, 3/8 EXTERNAL SHAKEPROOF |
| 86-342-108 | ELBOW, 1″ X 90° 150 # BLK M.I. STREET |
| 86-359-016 | ELBOW, 1/2 X 3/4 X 90° 150 # BLK M.I. REDUCING |
| 86-600-014 | COUPLING, 1/2 X 1″ 150 # BLK M.I. REDUCER |
| 86-426-001 | NIPPLE, 1″ X CLOSE SCH 40 BW STEEL PIPE |
| 86-341-006 | ELBOW, 1″ X 45° 150 # BLK M.I. PIPE |
| 86-061-015 | BUSHING, 1″ X 3/4 C.I. 150 # BLK HEX PIPE |
| 45-171-917 | HOSE, 3/4 X 12″ |
| 64-289-324 | ADAPTER, 3/4 MALE UNION |
| 86-336-106 | ELBOW, 3/4 X 90° 150 # BLK M.I. PIPE |
| 86-425-031 | NIPPLE, 3/4 X 11 SCH 40 BW STEEL PIPE |
| 86-424-001 | NIPPLE, 3/4 X CLOSE SCH 40 BW STEEL PIPE |
| 86-425-013 | NIPPLE, 3/4 X 4″ SCH 40 BW STEEL PIPE |
| 86-336-108 | ELBOW, 1″ X 90° 150 # BLK M.I. PIPE |
| 45-804-050 | HOSE, 3/4 X 26-3/4″ |
| 86-339-106 | ELBOW, 3/4 X 45° 150 # BLK M.I. PIPE |
| PIPE, 3/4 X 30″ SCH 40 BW STEEL | |
| 57-000-006 | COUPLING, 3/4 TAPPED PIPE |
| PIPE, 3/4 X 28″ SCH 40 BW STEEL | |
| 86-425-025 | NIPPLE, 3/4 X 8″ SCH 40 BW STEEL PIPE |
| 86-425-029 | NIPPLE, 3/4 X 10″ SCH 40 BW STEEL PIPE |
| PIPE, 3/4 X 16″ SCH 40 BW STEEL | |
| 86-425-019 | NIPPLE, 3/4 X 5-1/2 SCH 40 BW STEEL PIPE |
| 86-240-106 | CROSS, 3/4 150 # M.I. PIPE |
| 86-641-106 | UNION, 3/4 150 # M.I. FEMALE GOUND JOINT |
| 83-899-802 | VALVE, 3/4 BALL |
| 86-425-001 | NIPPLE, 3/4 X CLOSE SCH 40 BW STEEL PIPE |
| 86-485-506 | PLUG, 3/4 C.I. SOLID SQUARE HEAD PIPE |
| 86-425-005 | NIPPLE, 3/4 X 2″ SCH 40 BW STEEL PIPE |
| 86-425-007 | NIPPLE, 3/4 X 2-1/2 SCH 40 BW STEEL PIPE |
| 86-425-013 | NIPPLE, 3/4 X 4″ SCH 40 BW STEEL PIPE |
| 86-061-008 | BUSHING, 3/4 X 1/4 C.I. 150 # BLK HEX PIPE |
| 78-256-532 | GAUGE ( 0–200 P.S.I. ), OIL PRESSURE |
| 86-426-009 | NIPPLE, 1″ X 3″ SCH 40 BW STEEL PIPE |
| 64-212-003 | FILTER, MAGNETIC OIL |
| 64-212-832 | FILTER, FULL FLOW OIL · |
| 75-068-020 | CAPSCREW, 5/8 — 11 X 1-3/4 HEX HEAD HT |
| 75-510-408 | NUT, 5/8 — 11 HEX |
| 75-770-475 | LOCKWASHER, 5/8 EXTERNAL SHAKEPROOF |
| 64-212-848 | ELEMENT, OIL FILTER |
| 64-270-030 | GUARD, SPRING HOSE |
| 10-303-003 | GUARD, BELT |
| 45-804-103 | HOSE, 1″ X 42″ |
| 64-271-234 | ADAPTER, 1″ HOSE |
| 86-543-106 | TEE, 3/4 150 # M.I. PIPE |
| 45-804-245 | NIPPLE, 3/4 X 8-1/4 SCH 40 BW STEEL PIPE |
| 68-028-560 | V-BELT, 3V-560 |
| 45-803-774 | KEY ( 3/16 X 3/16 X 1-3/4 ) |
| 68-097-451 | SHEAVE, 10.6 O.D. 3-V DOUBLE GROOVE DRIVE |
| 68-097-458 | SHEAVE, 6.5 O.D. 3-V SINGLE GROOVE DRIVEN |
| OIL LEVEL PIPING ASSEMBLY A 1100-PT TRIPLEX PISTON PUMP SIZE : B DWG NO. P 185 – AK1 | |
| COMM NO. | DESCRIPTION |
| 86-336-104 | ELBOW, 1/2 X 90° 150 # BLK M.I. PIPE |
| 86-424-001 | NIPPLE, 1/2 X CLOSE SCH 40 BW STEEL PIPE |
| 86-061-032 | BUSHING, 2″ X 1/2 C.I. 150 # BLK HEX PIPE |
| 86-424-029 | NIPPLE, 1/2 X 10″ SCH 40 BW STEEL PIPE |
| 06-109-007 | STICK, OIL LEVEL DIP |
| LINER FLUSHING SYSTEM A 1100-PT TRIPLEX PISTON PUMP SIZE : D DWG NO. P 206 – AG1 | |
| COMM NO. | DESCRIPTION |
| 95-999-050 | PUMP, 1″ X 1-1/2 X 8-1/2 CENTRIFUGAL |
| 68-103-964 | COUPLING, FLEX |
| 74-450-826 | MOTOR, ELECTRIC |
| 10-300-305 | BASE, MOTOR AND PUMP |
| 06-511-186 | SUPPORT, BASE |
| 06-510-597 | PLATE, FLUSHING PUMP MOUNTING |
| 75-634-361 | CAPSCREW, 5/8 — 11 X 2″ HEX HEAD HT |
| 75-770-475 | LOCKWASHER, 5/8 EXTERNAL SHAKEPROOF |
| 75-634-350 | CAPSREW, 1/2 — 13 X 3″ HEX HEAD HT |
| 75-770-474 | LOCKWASHER, 1/2 EXTERNAL SHAKEPROOF |
| 10-300-299 | GUARD, FLEX COUPLING |
| 10-300-300 | BLOCK, TAPPED |
| 75-634-344 | CAPSCREW, 3/8 — 16 X 2″ HEX HEAD HT |
| 29-001-153 | SHIM SET ( 4 REQ’D ) CONSISTS OF THE FOLLOWING |
| SHIM ( .002″ THICK ) | |
| SHIM ( .005″ THICK ) | |
| SHIM ( .010″ THICK ) | |
| SHIM ( .015″ THICK ) | |
| SHIM ( .0312″ THICK ) | |
| SHIM ( .0625″ THICK ) | |
| 75-634-344 | CAPSCREW, 3/8 — 16 X2″ HEX HEAD HT |
| 75-510-404 | LOCKNUT, 3/8 — 16 HEX STEEL |
| 75-770-472 | LOCKWASHER, 3/8 EXTERNAL SHAKEPROOF |
| 98-029-012 | FLANGE, 1-1/2 150 # RAISED FACE THREADED |
| 78-208-036 | GASKET, 1-1/2 FLANGE |
| 98-029-006 | FLANGE, 1″ 150 # RAISED FACE THREADED |
| 78-208-012 | GASKET, 1″ FLANGE |
| 75-635-043 | CAPSCREW, 1/2 — 13 X 2-1/4 HEX HEAD HT |
| 75-634-353 | CAPSCREW, 1/2 — 13 X 2″ HEX HEAD HT |
| 75-510-406 | NUT, 1/2 — 13 HEX |
| 99-287-816 | HOSE, 2″ I.D. X 10″ RADIATOR |
| 99-093-080 | CLAMP, HOSE |
| 64-228-103 | STRAP, 1″ PIPE |
| 75-634-317 | CAPSCREW, 5/16 — 18 X 1/2 HEX HEAD HT |
| 86-061-014 | BUSHING, 1″ X 1/2 C.I. 150 # BLK HEX PIPE |
| 86-336-108 | ELBOW, 1″ X 90° 150 # BLK M.I. PIPE |
| 86-336-112 | ELBOW, 1-1/2 X 90° 150 # BLK M.I. PIPE |
| 86-342-112 | ELBOW, 1-1/2 X 90° 150 # BLK M.I. STREET |
| 86-543-108 | TEE, 1″ 150 # M.I. PIPE |
| 86-600-005 | COUPLING, 1/2 X 1/4 150 # M.I. BLK REDUCING |
| 86-422-007 | NIPPLE, 1/4 X 2-1/2 SCH 40 BW STEEL PIPE |
| 86-426-009 | NIPPLE, 1″ X 3″ SCH 40 BW STEEL PIPE |
| 86-426-025 | NIPPLE, 1″ X 8″ SCH 40 BW STEEL PIPE |
| 86-426-015 | NIPPLE, 1-1/2 X 4-1/2 SCH 40 BW STEEL PIPE |
| PIPE, 1″ X 13-1/8 SCH 40 BW STEEL | |
| NIPPLE, 1-1/2 X 7-1/2 SCH 40 BW STEEL PIPE | |
| 64-289-320 | UNION, 1/2 MALE ADAPTER |
| 06-510-761 | HOSE, 1/2 X 48″ |
| 64-289-326 | UNION, 1″ MAILE ADAPER |
| 64-271-226 | COUPLING, 1″ MALE HOSE |
| 64-270-016 | HOSE, 1″ X 51″ |
| CHARGING PUMP ASSEMBLY A 1100-PT TRIPLEX PISTON PUMP SIZE : D DWG NO. P 206 – AD1 | |
| COMM NO. | DESCRIPTION |
| 95-999-067 | PUMP, 6 X 8 “R” CENTRIFUGAL CHARGING |
| 10-303-110 | GUARD, BELT |
| 68-097-466 | SHEAVE, 11.8 O.D. 5-V SIX GROOVE DRIVE |
| 68-029-063 | V-BELT, 5V-630 |
| 68-639-839 | SHEAVE, 9.75 O.D. 5-V SIX GROOVE DRIVEN |
| 10-303-112 | BRACKET, PUMP MOUNTING |
| 45-802-038 | GASKET, FLANGE |
| 75-659-066 | STUD WITH NUTS, 3/4 — 10 X 3″ ALL THREAD |
| 06-509-871 | MANIFOLD, 6″ PUMP |
| 78-106-063 | COUPLING, 6″ DRESSER SLEEVE |
| 10-303-111 | PIPE, 6″ FABRICATED SUCTION CHARGING |
| 75-770-472 | LOCKWASHER, 3/8 EXTERNAL SHAKEPROOF |
| 75-634-313 | CAPSCREW, 3/8 — 16 X 3/4 HEX HEAD HT |
| 75-635-028 | CAPSCREW, 5/8 — 11 X 5″ HEX HEAD HT |
| 75-770-475 | LOCKWASHER, 5/8 EXTERNAL SHAKEPROOF |
| 75-510-408 | NUT, 5/8 — 11 HEX |
| 45-802-800 | KEY ( 1/2 X 1/2 X 2″ ) |
| 75-634-536 | SCREW, 1/2 — 13 X 4″ SQUARE HEAD CUP POINT SET |
| 75-510-506 | NUT, 1/2 — 13 HEX JAM |
| 75-634-367 | CAPSCREW, 5/8 — 11 X 3-1/4 HEX HEAD HT |
| 10-300-093 | RETAINER |
| 10-300-094 | BLOCK, SHIM |
| 68-646-038 | HUB, 1-7/8 X 1/2 X 1/4 “E” QD SHEAVE |
| 75-634-335 | CASCREW, 3/8 — 16 X 5/8 HEX HEAD HT |





